Адверс

Производитель автономных отопителей и комплексных систем для автодомов и караванов, создающий надёжные решения для обогрева салона, воды и инженерных контуров в любых условиях.
? / 10
Недостаточно отзывов для рейтинга Знаете компанию? Оставьте отзыв
Компания основана в 1995 г.

О компании Адверс

Услуги: Изготовление комплектующих для автодомов

Компания «Адверс» — российский производитель автономных отопительных систем, специализирующийся на воздушных (Планар) и жидкостных (Бинар) отопителях, а также комплексных системах отопления для автодомов и караванов — Мультихот. Компания разрабатывает и выпускает оборудование, которое обеспечивает обогрев салона, подогрев двигателя и, в составе комплексных решений, — отопление, горячую воду и тёплый пол.

В линейке представлены автономные воздушные отопители, работающие независимо от двигателя и создающие стабильный поток тёплого воздуха через нагнетатель и теплообменник. Оборудование оснащается температурными датчиками и системой самодиагностики, что обеспечивает безопасную и эффективную работу даже при сильных морозах. Также производятся жидкостные подогреватели, которые можно интегрировать в отопительные контуры автодомов, жилых модулей и спецтехники. Они нагревают теплоноситель, помогают поддерживать комфортную температуру в салоне, обеспечивают подогрев двигателя и работу сантехнических систем.

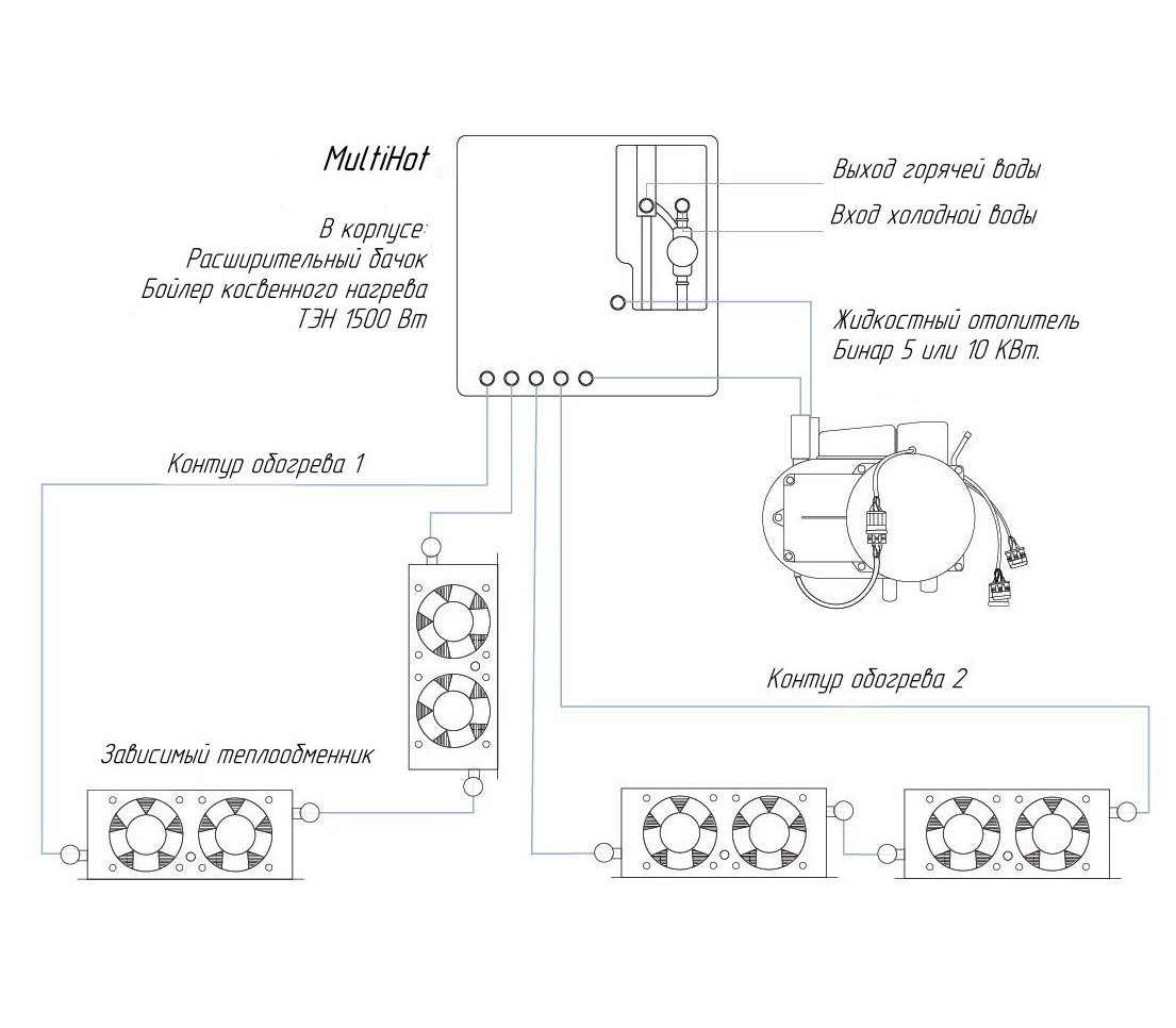
Отдельного внимания заслуживает комплексная система отопления для автодомов и караванов — Мультихот. Это решение создавалось специально под нужды караванинга и сочетает в себе несколько отопительных контуров, накопительный теплообменник, контур нагрева воды и возможность подключения тёплого пола. Система может работать совместно с жидкостным подогревателем, формируя полноценный комплекс «всё в одном» для комфортного проживания.

«Адверс» располагает современными производственными мощностями, широкой дилерской сетью и сервисной поддержкой. Оборудование компании сертифицировано и соответствует действующим стандартам, обеспечивая надёжную работу и долговечность даже в условиях сурового климата.

Индекс надёжности компании Адверс

Компания с высоким индексом надёжностиИнформация обновлена 30 ноября 2025 г.По данным RV Land ключевые показатели надёжности компаниии Адверс находятся на высоком уровне. Это хорошая компания и сотрудничество с ней имеет очень низкие риски.

Как мы считаем индекс

Фото от компании Адверс

Адверс на карте

Проверяем базу данных
Адрес
ул. Ново-Садовая, 106 к.80, г. Самара, Самарская область, Россия
Координаты
53.217489, 50.14049253°13'2.96", 50°8'25.771"
Телефон
Почта
Сайт
Проложить маршрут до Адверс в Google Maps или Яндекс.Картах
Ошибка в адресе или в контактах?
Сообщите нам, мы всё исправим

Отзывы о компании Адверс

? / 10
Пока нет отзывов Оставьте свой отзыв

Только на 100% подлинные и проверенные отзывы реальных клиентов. RV Land размещает как положительные, так и отрицательные мнения.

Знаете Адверс? Поделитесь вашим мнением, оставьте свой отзыв на RV Land
Ассортимент
Сервис
Персонал
Цена / качество
Пока отзывов для Адверс никто не добавил

Если вы знаете Адверс, пожалуйста, оставьте ваш отзыв. Это занимает не более одной минуты.

Добавить свой отзыв
Политика в отношении отзывов
Мнение авторов отзывов может не совпадать с мнением редакции RV Land. Часто мы не согласны с авторами, но это не может являться причиной для удаления или редактирования отзывов.

Редакция RV Land не несёт ответственность за содержание и достоверность информации, размещенной посетителями сайта в отзывах. Модерация отзывов не может гарантировать отсутствие злоупотреблений со стороны посетителей.

Все отзывы и информация, размещенные посетителями сайта, являются субъективным мнением, личной оценкой лица, написавшего отзыв. Как правило, отзывы размещают гости кемпингов и клиенты компаний, руководствуясь своим опытом и высказывая свое личное мнение.

Мы оставляем за собой право редактировать тексты отзывов, не изменяя их смысла. Например, удалять из отзывов ненормативную лексику или личные оскорбления.

Правила публикации отзывов
YouTube-канал RV Land – кемпинги, события, компании для автопутешественников

Новые кемпинги для поездки с домом на колесах, надёжные компании для автопутешественников и караванеров, календарь событий, где рады гостям с автодомом.

RV Land на YouTube
А еще RV Land есть здесь: Телеграм Одноклассники ВКонтакте

Похожие компании в справочнике на сайте RV Land

Познакомьтесь с компаниями, которые предоставляют такие же услуги, как и Адверс. Кого-то не хватает в списке? Добавьте компанию в справочник

MzeGeo

Аренда автодомов и организация путешествий в Аджарской Автономной Республике (г. Батуми), Грузия
Прокат кемпервагенов и организация путешествий в Грузии. Свежий арендный парк.

Piter_Camper (Коломна)

Аренда автодомов в Московской области (г. Коломна), Россия
Аренда стильных мини-караванов в Коломне для путешествий. Комфортные и функциональные прицепы для путешествий по России.

Энергомаш

Запчасти и аксессуары, изготовление комплектующих для автодомов и товары для автотуризма в Калужской области (г. Калуга), Россия
Компания специализируется на разработке, производстве и продаже высококачественных изделий автомобильной электроники.

Походу кухня

Товары для автотуризма в России (Россия)
Компания производит мобильные кухни для кемпинга и органайзеры в багажник. Такие изделия делают ваш отдых на природе еще более комфортным и беззаботным.

Retrailer

Запчасти и аксессуары для автодомов, товары для автотуризма и оснащение кемпингов в Москве (ст. м. Коломенская), Россия
Магазин с большим выбором запчастей и аксессуаров для домов на колесах и туристического оборудования. Все товары в наличии на складе в Москве, есть быстрая доставка по России.
33 отзыва Рейтинг 9,7 из 10 Подробнее

Framee

Запчасти и аксессуары и изготовление комплектующих для автодомов в Москве (ст. м. Кленовый бульвар), Россия
Производство рамок сервисных (багажных) люков и дверей для установки в домах на колесах и другой спецтехнике. Тираж от одной штуки, быстрая отправка заказов по всей России.
12 отзывов Рейтинг 9,3 из 10 Подробнее
Знаете полезную для караванеров компанию? Добавьте её на RV Land!

Это может быть любая компания, товары и услуги которой интересны для владельцев домов на колесах. Добавление займет не более пары минут, а затем мы быстро проверим и включим компанию в каталог, чтобы потенциальные клиенты могли её найти.

Добавить
  • Связанные поисковые запросы:
  • адверс г. самара
  • адверс на карте в самарской области
  • адверс контакты
  • каталог компаний
  • адверс на карте
  • компании в самарской области
  • адверс на карте в самарской области г. самара
  • адверс отзывы
  • адверс для автодомов
  • адверс товары для автодомов
  • адверс рядом с г. самара
  • адверс сайт
  • адверс фото
  • адверс видео
  • адверс рейтинг
  • адверс маршрут
  • адверс в самарской области
  • компания адверс
  • товары для домов на колесах в самарской области
  • адверс адрес
  • адверс караванинг
  • адверс в самарской области г. самара
  • адверс на карте г. самара
Продолжая использовать сайт RV Land вы соглашаетесь с использованием файлов cookies, политикой обработки персональных данных, правилами применения рекомендательных технологий и принимаете договор-оферту сайта.
Понятно